
BN-norma branżowa
Międzynarodowa Komisja Elektrotechniczna-IEC
Występują symbole nieznormalizowane pochodzące:
Format podstawowy - A4-210x297 mm.
Inne formaty powstają przez zwielokrotnienie lub podzielenie formatu podstawowego

Wybrać możliwie: najmniejszy i jednakowy dla wszystkich rysunków w dokumentacji
Nie trzeba zachować jednakowej podziałki i położenia wzajemnego elementów na rysunkach w tej samej dokumentacji-ale w różnych rysunkach.
cienka, gruba, bardzo gruba
Predestynowane do stosowania w rysunkach technicznych elektrycznych są linie: cienka i gruba
Proporcje:
cienka : gruba : bardzo gruba
1 : 2 : 4
1 : 3 : 6 rzadziej

Grubość linii rysunkowej w mm w zależności od rodzaju i przyjętej grupy linii w rysunkach technicznych wg PN-82/N-01616
|
Rodzaj linii
rysunkowej |
Grupa linii
rysunkowej |
|||
|
1 |
2 |
3 |
4 |
|
|
Cienka |
0.181) lub 0.25 |
0.251) lub 0.35 |
0.351) lub 0.50 |
– 0.70 |
|
Gruba |
0.50 |
0.70 |
1.00 |
1.40 |
|
Bardzo gruba |
1.00 |
1.40 |
2.00 |
2.00 |
|
1) Tylko w rysunku technicznym budowlanym Zalecane grubości linii podkreślono |
||||
Linie rysunkowe stosowane w rysunkach technicznych elektrycznych
|
Linia rysunkowa |
Rodzaj linii
rysunkowej |
||
|
cienka |
gruba |
bardzo gruba |
|
|
Ciągła |
![]() |
![]() |
![]() |
|
Ciągła złożona falista |
1) |
|
|
|
Ciągła złożona zygzakowa |
![]() |
||
|
Przerywana kreskowa |
![]() |
||
|
Przerywana wielopunktowa |
![]() |
||
|
Przerywana złożona punktowa |
![]() |
||
|
Przerywana złożona dwupunktowa |
![]() |
||
|
Przerywana złożona trójunktowa |
![]() |
||
|
Przerywana złożona ze znakiem X1)2) |
![]() |
||
|
1) Nie podana w
PN-82/E-01616 2) Wykonana metodą druku alfanumerycznego Przykład linii stosowanej w schematach tylko jako linii pionowej; inne rodzaje linii wykonywanych tą metodą podano w normie PN-76/E-01200 |
|||
Zalecane proporcje przy rysowaniu linii kreskowych i punktowych (punkty w liniach punktowych mogą być rysowane jako krótkie kreski).

Zasady kreślenia linii rysunkowych
1. Zakończenia linii złożonych

2. Równoległe linie złożone

3. Załamanie linii nieciągłych

4. Równoległe linie różnych grubości

5. Równoległe linie jednakowej grubości

6. Osie symetrii małych elementów

7. Krzyżowanie

Rodzaje pisma technicznego: typ A i B
Pochyłe i proste.
g=6s
przewidzieć miejsca na opisy pismem o grubości s = s linii.

Pismo techniczne rodzaju A(s=h/14) i rodzaju B(s=h/10)
|
Wielkość i
oznaczenie literowe |
Oznaczenie |
Szereg wymiarów
znormalizowanych w mm |
|
Grubość linii liter i cyfr1) |
s |
0.18; 0.25; 0.35; 0.5; 0.7; 1;
1.4; 2 |
|
Wysokość liter wielkich i cyfr
(wysokość pisma)2) |
h |
(1.8); 2.5; 3.5; 5; 7; 10; 14;
20 |
|
Wysokość liter małych (bez
lasek w górę i w dół)3) |
c |
1.3; 1.8; 2.5; 3.5; 5; 7; 10;
14 |
|
Odstęp między literami i
cyframi4) |
a |
0.35; 0.5; 0.7; 1; 1.4; 2; 2.8;
4 |
|
Podziałka minimalna wierszy
(rodzaj A/rodzaj B) |
b |
4; 5.5; 8; 11; 16; 22; 31 3.1; 4.3; 6; 8; 5;12; 17; 24; 34 |
|
Odstęp minimalny między
wyrazami i liczbami)5 |
e |
1.1; 1.5; 2.1; 3; 4.2; 6; 8.4;
12 |
|
Szerokość litery |
g |
g=(10/6)h lub
g=6s |


W ramce umieszcza się tabliczkę rysunkową wg normy PN-63/M-01119
Tabliczka powinna być umieszczona w prawym dolnym rogu ramki rysunkowej.
Teksty i tablice (wykazy) umieszcza się wg normy PN-81/N-01126
Zarys tabliczki-linia gruba
zarys rubryki z nr. rys.-linia gruba
pozostałe-linia cienka
185 mm
55 mm-dla t.
podstawowych
40 mm-dla t.
zmniejszonych
15 mm-dla t.
uproszczonych


Strefa A
|
Lp |
P |
Z |
U |
treść |
|
1 |
x |
x |
x |
numer rysunku |
|
2 |
x |
x |
|
nazwa przedmiotu lub dokumentu |
|
3 |
x |
x |
|
nazwa/znak przedsiębiorstwa |
Strefa B
|
Lp |
P |
Z |
U |
treść |
|
4 |
x |
|
|
skala |
|
5 |
x |
x |
|
format |
|
6 |
x |
|
|
rodzaj i oznaczenie materiału |
|
7 |
x |
x |
|
zastępuje-nr rysunku |
|
8 |
x |
x |
|
zastąpiony przez-nr rysunku |
|
9 |
x |
|
|
masa |
Dodatkowo (jeśli konieczne)
|
Lp |
P |
Z |
U |
treść |
|
10 |
x |
x |
|
nr rys. licencyjnego |
|
11 |
x |
|
|
nr modelu |
|
12 |
x |
x |
|
oznaczenie graf. metody rzutowania |
|
13 |
x |
|
|
nr archiwalny |
|
14 |
x |
|
|
liniowe jednostki miary (inne niż mm) |
|
15 |
x |
|
|
odchyłki |
Strefa C
|
Lp |
P |
Z |
U |
|
|
16 |
x |
x |
x |
zapis zmian |
|
17 |
x |
x |
|
informacje administracyjne |
|
18 |
x |
x |
|
data pierwszej emisji rysunku |



Dowolnie
Zapis zmian nad informacjami administracyjnymi
Dla tabliczki uproszczonej dopuszcza się też jedną z postaci:

Polska Norma PN-76/N 01603 dotyczy sposobów i zasad składania kopii arkuszy rys. na format podst. A4.
Arkusze należy składać najpierw wzdłuż linii prostopadłych do wierszy tabliczki rys. a następnie wzdłuż linii równoległych do wierszy tabliczki.
Arkusze po złożeniu powinny mieć tabliczkę rys. na wierzchniej stronie w prawym dolnym rogu.




Diagram klasyfikacyjny rysunku technicznego elektrycznego
wg PN-79/E - 01244
Schematem elektrycznym (w skrócie schematem ) nazywa się rysunek techniczny przedstawiający, w jaki sposób obiekt lub jego elementy funkcjonalne są współuzależnione i/lub połączone.
Zawierają symbole elementów funkcjonalnych niezbędne do zrozumienia działania obiektu elektrycznego i połączeń istniejących w rzeczywistości.

Zawierają symbole elementów funkcjonalnych niezbędne-jak w przypadku schematu strukturalnego (101)-do zrozumienia obiektu elektrycznego i połączeń między nimi, przy czym nie jest konieczne pokazanie ich rozmieszczenia rzeczywistego, natomiast muszą pokazać przebieg procesów zachodzących w poszczególnych elementach funkcjonalnych.

Zadanie-pokazanie wszystkich elementów funkcjonalnych obiektu elektrycznego bez uwzględnienia ich rzeczywistego rozmieszczenia, lecz ze wszystkimi połączeniami między nimi oraz z podaniem punktów przyłączeń, w celu dokładnego wyjaśnienia działania i przebiegów procesów elektrycznych, z lewa na prawo i/lub z góry na dół.
Zadanie-pokazanie i przedstawienie za pomocą symboli (jeśli to możliwe) wszystkich obiektów, elementów funkcjonalnych, połączeń między nimi i miejsc przyłączeń.
Zadanie-przedstawienie skomplikowanych układów za pomocą równoważnych im układów prostszych. Uzyskuje się je ze schematów zasadniczych, w których elementy funkcjonalne lub ich grupy zastępuje się równoważnymi im układami złożonymi z elementów elektrycznych prostych, np. R, L, C przedstawionych za pomocą symboli graficznych.

Zadanie - pokazanie połączeń elektrycznych wszystkich elementów obiektów przez przedstawienie i opisanie: przewodów, wiązek, kabli, wyprowadzeń, doprowadzeń, końcówek (zacisków), złącz, przepustów itp.
Wyróżnia się schematy wykonawcze:
Przedstawiają wzajemne położenie wszystkich elementów funkcjonalnych oraz połączenia między nimi, przy czym zawierają one informacje dotyczące szczegółów konstrukcyjno-wykonawczych, rodzaju przewodów, ich przebiegu, a także miejsca ich wyprowadzenia (zaciski) itp.

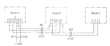
Przykład schematu połączeń wewnętrznych (301). Fragment schematu wykonawczego (montażowego) o połączeniach swobodnych
Zawierają symbole elementów funkcjonalnych oraz ich połączeń elektrycznych w miejscu zainstalowania.


Zadaniem schematów grupy 4 (planów) jest określanie położenia (lokalizowanie) obiektów lub ich części składowych (również w terenie) lub przedstawienie usytuowania sieci instalacji elektrycznych, a-w razie potrzeby-także trasy połączeń elektrycznych (linii, przewodów, kabli itp.).
Rodzaje planów:
Pokazują usytuowanie obiektów elektrycznych lub ich części, na planie architektonicznym.

Przykład schematu rozmieszczenia (planu lokacyjnego) (401).
Przedstawiają obiekty elektryczne lub ich części za pomocą symboli ogólnych, zwanych najczęściej instalacyjnymi, wyjątkowo prostokątów (kwadratów) i obrysów (konturów).

Pokazują obiekty i ich elementy oraz połączenia występujące między nimi. Elementy obiektów są przedstawione symbolami ogólnymi i/lub symbolami w postaci prostokątów (kwadratów).

Są to rysunki wyjaśniające współzależność między:
Diagram przyczynowy obrazuje graficznie czynności uporządkowane według przyjętej zasady, np. kolejności ich występowania.
Diagram przyczynowo-czasowy jest diagramem przyczynowym z zaznaczonym czasem pracy elementów wykonujących czynności.
Diagramem klasyfikacyjnym jest np. diagram klasyfikacyjny rysunku technicznego elektrycznego

Do diagramów zalicza się czasem wykresy.- rysunki przedstawiające zależności między wielkościami (dwiema lub więcej) wykreślone w formie linii, zwanych liniami przebiegu, lub charakterystykami obrazującymi przebieg tych zależności w wybranym układzie współrzędnych.
Zawierają zapis informacji ujęty w kolumnie i/lub poziomo.
Tablice i wykazy są wykonywane według zasad, które wynikają z tradycji i zwyczaju określonego biura projektowego, wytwórni lub autora.
Wiadomości podstawowe dotyczące wykonywania tablic w publikacjach są zamieszczone w PN-78/N-01222.04.
Znak graficzny oznaczający obiekt elektryczny (wyrób, instalację, zespół urządzeń, urządzenie, maszynę,(...), podstawowe cechy fizyczne lub/ i ich współzależność.
O ile norma ich nie określa, zamieszcza się w zależności od potrzeb.
Przykład takiego przypadku: symbol mnożnika częstotliwości:

Przykład przypadku przeciwnego: rezystor i przekaźnik:


S. ogólne podstawowe - PN-76/E-120
S. ogólne działowe - PN-**/E-01201-E-01246 (bez E - 01240)
Symbole można podzielić na symbole do :
Symbole mogą być przedstawione w postaci :



Zalecana proporcja między długościami boków prostokąta : 2:3
kąt rozwarcia linii tworzących grot 300

Jest wiele znormalizowanych wariantów symboli graficznych obiektów np:

Uwaga na określanie liczby obiektów w symbolach jednoliniowych:



Wg PN-78/E-01245-wymiary nie są znormalizowane


Propozycje wymiarów symboli graficznych elektrycznych